d41j法兰蝶阀/d641j气动蝶阀/d941j电动蝶阀在气体、液体管道上起调节流量或截流介质的作用,法兰衬胶蝶阀具有耐强腐蚀、稳定性好、可靠性强的特点,法兰衬胶蝶阀还具有密封可靠性强,防腐能力强,操作力矩小等优点,因此法兰衬胶蝶阀广泛的应用于食品、医药、化工、石油、电力、轻纺、造纸等行业。
法兰蝶阀 采用标准
法兰连接尺寸gb4216.4-84;gb9115.8-88
结构长度gb12221-89
压力试验gb/t13927-92;zbj16006-90
法兰蝶阀 主要技术参数
公称通径dn(mm) | 50~2000 | ||
公称压力pn(mpa) | 0.6 | 1.0 | |
试验压力 ps(mpa) | 强度试验 | 0.9 | 1.5 |
密封试验 | 0.66 | 1.1 | |
适用介质 | 水、蒸汽、油品、海水、酸类 | ||
适用温度 | -40℃~200℃ | ||
法兰蝶阀 主要零件材料
名称 | 材料 |
阀体 | wcb、zg1cr18ni9ti、zg1cr18ni12mo2ti ht250 |
阀板 | wcb、zg1cr18ni9ti、zg1cr18ni12mo2ti ht250 |
阀杆 | 2cr13、1cr18ni9ti、1cr18ni12mo2ti |
密封圈 | cr、nbr、epdm、fpm |
填料 | nbr、柔性石墨 v型橡胶垫 |

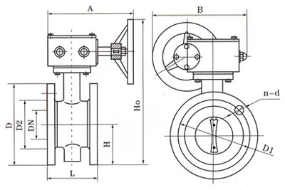
法兰衬胶蝶阀 主要外形尺寸
通径(dn) | l | d1 | d | z-φd | h | h0 | a | b | d0 | wt/kg |
50 | 108 | 125 | 165 | 4-18 | 82.5 | 443 | 125 | 125 | 80 | 51 |
65 | 112 | 145 | 185 | 4-18 | 92.5 | 463 | 125 | 125 | 80 | 62 |
80 | 114 | 160 | 200 | 8-18 | 100 | 483 | 125 | 125 | 80 | 73.5 |
100 | 127 | 180 | 220 | 8-18 | 110 | 498 | 125 | 125 | 80 | 87 |
125 | 140 | 210 | 250 | 8-18 | 125 | 682 | 325 | 245 | 150 | 98 |
150 | 140 | 240 | 285 | 8-22 | 142.5 | 736 | 325 | 245 | 150 | 102 |
200 | 152 | 295 | 340 | 8-22 | 170 | 800 | 325 | 245 | 150 | 150 |
250 | 165 | 350 | 395 | 12-22 | 192.5 | 895 | 363 | 313 | 200 | 170 |
300 | 178 | 400 | 445 | 12-22 | 222.5 | 956 | 363 | 313 | 200 | 220 |
350 | 190 | 460 | 505 | 16-22 | 252.5 | 1029 | 363 | 313 | 250 | 350 |
400 | 216 | 515 | 565 | 16-26 | 282.5 | 1103 | 363 | 313 | 250 | 430 |
450 | 222 | 565 | 615 | 20-26 | 307.5 | 1280 | 465 | 439 | 300 | 550 |
500 | 229 | 620 | 670 | 20-26 | 335 | 1186 | 546 | 431 | 360 | 580 |
600 | 267 | 725 | 780 | 20-30 | 390 | 1321 | 546 | 556 | 360 | 850 |
700 | 430 | 840 | 895 | 24-30 | 420 | 1431 | 546 | 556 | 360 | 950 |
800 | 470 | 950 | 1015 | 24-33 | 477.5 | 1542 | 546 | 556 | 360 | 1150 |
900 | 510 | 1050 | 1115 | 28-33 | 1117.5 | 1800 | 617 | 706 | 360 | 1750 |
1000 | 550 | 1160 | 1230 | 28-36 | 582.5 | 2363 | 632 | 706 | 360 | 2100 |
1200 | 630 | 1380 | 1455 | 32-39 | 692.5 | 2583 | 632 | 706 | 360 | 2580 |
1400 | 710 | 1590 | 1675 | 36-42 | ||||||
1600 | 790 | 1820 | 1915 | 40-48 | ||||||
1800 | 870 | 2020 | 2115 | 44-48 | ||||||
2000 | 950 | 2230 | 2325 | 48-48 |
注:1.以上蝶阀的密封试验压力dn32~dn800为1.0mpa;dn900~dn1000为0.6mpa;dn1200~dn2000为0.25mpa;
2.如工作压力超过1.0mpa建议选用三偏心蝶阀;
3.以上蝶阀的连接尺寸均按1.0mpa标准制造,如阀板衬橡胶等特殊需要,订货时需注明。
手机:15351513006
座机:0515-89118577
传真:0515-8911 8000
邮箱: jtongcn@126.com
地址: 江苏滨海经济开发区瓯北泵阀工业园

15351513006