hh49x微阻缓闭蝶式止回阀主要用于净水、源水、污水、海水等介质的供、排水管道上,安装在水泵出品处,用以截断介质的回流消除原子能坏性的水锤,保护和道、水泵的安全运行。
主要特点
1、体形小、重量轻、结构长度只有旋启式止回阀的三分之一左右。
2、缓闭系统性能优良,不受管道中介质的影响,阀 瓣 先速关后缓闭,可防止破环性水锤。
3、橡胶软密封,封闭性能好,耐磨损,使用寿命长。
4、橡胶缓冲,启闭平稳,无震动,无噪音。
5、比老式止回阀流阻小,有明显的节能效果。
主要性能规范
型 号 | hh47x-10 hh48x-10 hh49x-10 | hh47x-16 hh48x-16 hh49x-16 | |
公称压力 | pn1.0mpa | pn1.6mpa | |
公称通径 | dn50~800mm | dn50~800mm | |
密封试验压力 | 1.1mpa | 1.76mpa | |
壳体试验压力 | 1.5mpa | 2.4mpa | |
主要零件材料 | 阀 体 | 灰铸铁或球墨铸铁 | 灰铸铁或球墨铸铁 |
阀 瓣 | 铝青铜 | 铝青铜 | |
阀 杆 | 不锈钢 | 不锈钢 | |
弹 簧 | 不锈钢 | 不锈钢 | |
阀座密封面 | 橡胶 | 橡胶 | |

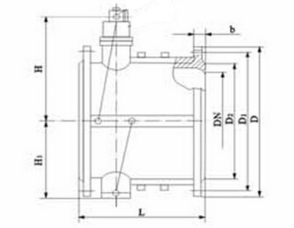
主要外形尺寸
公称通径dn | 尺寸(mm) | ||||||||
mm | in | d | d1 | d2 | h | h1 | l | z-фd | 螺栓 |
150 | 6 | 280 | 240 | 210 | 228 | 172 | 210 | 8-ф23 | 8-m20 |
200 | 8 | 335 | 295 | 265 | 270 | 210 | 230 | 8-ф23 | 8-m20 |
250 | 10 | 390 | 350 | 320 | 305 | 240 | 250 | 12-ф23 | 12-m20 |
300 | 12 | 440 | 400 | 368 | 367 | 264 | 270 | 12-ф23 | 12-m20 |
350 | 14 | 500 | 460 | 428 | 422 | 294 | 290 | 16-ф23 | 16-m20 |
400 | 16 | 565 | 515 | 482 | 462 | 324 | 310 | 16-ф23 | 16-m22 |
450 | 18 | 615 | 565 | 532 | 497 | 351 | 330 | 20-ф25 | 20-m22 |
500 | 20 | 670 | 620 | 585 | 532 | 379 | 350 | 20-ф25 | 20-m22 |
600 | 24 | 780 | 725 | 685 | 607 | 434 | 390 | 20-ф30 | 20-m27 |
700 | 28 | 895 | 840 | 800 | 702 | 491 | 430 | 24-ф30 | 24-m27 |
800 | 32 | 1010 | 950 | 905 | 792 | 549 | 470 | 24-ф34 | 24-m30 |
手机:15351513006
座机:0515-89118577
传真:0515-8911 8000
邮箱: jtongcn@126.com
地址: 江苏滨海经济开发区瓯北泵阀工业园

15351513006