欢迎来到九通集团有限公司k8凯发官网!  

联系电话:153-5151-3002 |

0.3秒快关阀
您当前的位置 : k8凯发-k8凯发天生赢家一触即发人生 > k8凯发天生赢家一触即发人生的产品中心 > 闸截止阀系列

k8凯发天生赢家一触即发人生的产品中心 product

联系k8凯发天生赢家一触即发人生contact us

九通集团有限公司

手机:15351513002 

手机:15351513006

电话:0515-89118577 

          0515-89118677

          0515-89118277

传真:0515-8911 8000

e-mail:jtongcn@126.com

网址:www.jtongcn.cn

地址:江苏滨海经济开发区瓯北泵阀工业园

焊接截止阀 j61h/y

焊接截止阀 j61h/y【价格 厂家 生产厂家】-k8凯发

  • 所属分类:闸截止阀系列
  • 发布日期:2020-09-10 14:50:19
24小时免费咨询热线:15351513002
  • 产品概述

焊接截止阀适用于公称压力 pn10.0 ~ 32.0mpa 及 p(54)100v ~ p(57)170v ,工作温度 ≤540℃( 其中 p(57)170v 工作温度为 570℃) 的石油、化工、水力、火力电站等各种工况的管路上,切断或接通介质。适用介质为:水、油品、蒸汽等。操作方式有:手动、齿轮传动、电动等。

焊接截止阀 结构特点

1. 产品设计制造按 e101 和 jb/t3595-93 标准的规定,结构合理,性能优良,造型美观。 

2. 阀门中腔采用压力自紧式密封结构,密封性能越好。支管两端为焊接结构。焊接坡口可按标准或用户要求配接。 

3. 阀瓣、阀座的密封面采用司太立( stellite )钴基硬质合金堆焊而成,耐磨、耐高温,抗擦伤性能好、使用寿命长。 

4. 阀杆经调质和表面氮化处理,有良好的搞腐蚀性和抗擦伤性。 

5. 阀盖填料函深度合理,填料加缓蚀剂,密封可靠。 

6. 电动截止阀配有 dzw 系列阀门电动装置,具有壳体小,重量轻,功能全,外形美等特点,并可与程控电脑配套使用,也可按用户要求选配电动装置。

焊接截止阀 标准规范

设计与制造:e101,jb/t3595-93

压力温度:e101,jb/t3595

结构长度:e101

对焊连接尺寸:gb/t15198.3-95

检验与实验:gb/t13927-92

焊接截止阀 主要性能参数

产品型号

公称压力

试验压力

工作压力

工作温度(℃)

适用介质

壳体强度

密封

p54

p55

p57

j61h/y-100

10

15

11




≤450

水、蒸汽、油品

j61h/y-200

20

30

22




j61h/y-250

25

38

28




j61h/y-320

32

48

36




j61y-p54/100v


30

22

10



≤540

蒸 汽

j61y-p54/140v


38

28

14



j61y-p54/170v


48

36

17

10


j61y-p55/100v


38

28


14


≤555

j61y-p55/140v


48

36


17


j61y-p55/170v


53

39



10

j61y-p57/100v


48

36



14

≤570

j61y-p57/140v


55

40



17

j61y-p57/170v


60

44




焊接截止阀 主要零件材料

零件名称

阀体

阀盖

阀杆

阀瓣

密封面

填料

阀杆螺母

手轮

紧固体

j61h型

25
wcb

25
40cr

铬不锈钢
铬钼铝钢化

铬不锈钢

铬不锈钢

柔性石墨

铝青铜

可锻铸铁

优质碳钢钼钢

j61y型

25
wcb

25
40cr

铬不锈钢
铬钼铝钢化

25

硬质合金

柔性石墨

铝青铜

可锻铸铁

优质碳钢铬钼钢

j61y-p54型

zg20crmolv 12crlmolv

12c r1molv

20crmol v
25crlmolv

12crlmolv

硬质合金

柔性石墨

铝青铜

可锻铸铁

铬钼钢

j61y-p55型

zg25crmol v12crlmolv

12c r1molv

20crmol v
25crlmolv

12c r1molv

硬质合金

柔性石墨

铝青铜

可锻铸铁

铬钼钢

j61y-p57型

zgl5crmolv 12crlmolv

12crlmolv

20crmol v25crlmolv

12crlmolv

硬质合金

柔性石墨

铝青铜

可锻铸铁

铬钼钢

 

焊接截止阀厂家

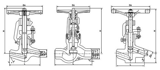
焊接截止阀 主要外形尺寸

公称通径dn

主要外形尺寸和连接尺寸(mm)

重量(kg)

l

d1

d2

d3

α

h

d0

j61(h.y)-25、40、64、100、200、250、320 j61y-p54/100v、p54/140v、p54/170v

10

120

12

25

40°

185

140

2.8


15

170

17

36

40°

247

200

7.5


20

170

22

42

40°

248

200

9


25

170

26

42

40°

248

240

9.5


32

170

31

44

40°

248.5

280

15


50①

250

50

82

32°

450

320

60


50②

350

50

82

32°

450

320

64


65

430

69

100

110

32°

669

400

74

80

470

84

108

130

32°

669

450

112.5

100

560

107

144

165

32°

755

500

178.5

注:dn50为两种型号。

j61y-p55/100v、p55/140v、p55/170v j61y-p57/100v、p57/140v、p57/170v

10

120

12

28

40°

189

140

3


15

170

17

40

40°

250

200

9


20

170

22

46

40°

252

200

11


25

170

26

46

40°

254

240

13


32

170

31

49

40°

254

280

17


50①

250

50

90

32°

453

320

68


50②

350

50

90

32°

455

320

72


65

430

69

104

115

32°

630

400

83

80

470

84

110

140

32°

672

450

118

100

560

17

148

170

32°

761

500

165



上一篇:高温高压电站截止阀j961y2020-09-10
下一篇:美标截止阀j41h/w2020-09-10

最近浏览:

相关产品

相关新闻

联系k8凯发天生赢家一触即发人生

手机:15351513006

座机:0515-89118577

传真:0515-8911 8000

邮箱: jtongcn@126.com

地址: 江苏滨海经济开发区瓯北泵阀工业园

抽气止回阀

全国服务热线

15351513006

网站地图